Mehr als 8 Inputs?

Hallo,

bei meinem Setup vom VanPi stoße ich aktuell an das Limit von 8 Inputs am Core. Gibt es eine Möglichkeit, mehr als 8 Inputs anzuschließen, eventuell über den Dimmy direkt?

Mein System besteht aus dem Core und dem Dimmy (beide nicht Pro), ich möchte hauptsächlich die LEDs am Dimmy aus-/einschalten aber auch ein paar der Relays vom Core.

Vielen Dank schon mal im Voraus für die Hilfe.

Guten Morgen

Da gibt es mehrere Möglichkeiten,

Oder du bastelst dir was aus nem mcp23017. Wenn du einen Dimmy mit esp hast, könntest du freie IO’s nehmen und die in tasmota konfigurieren, ist im Forum alles schon beschrieben

Vielen Dank für die Infos - mir gefällt ja der Bastelansatz gut, aber wo müsste ich dann den Optokoppler bzw. den mcp23017 anschließen (eine Suche im Forum hat mir leider nicht weitergeholfen)?

Und, zweiter Schritt, wo wären diese Schalter dann am Touchdisplay zu finden, oder sind die dort dann nicht verfügbar?

Ich würde an deiner Stelle dann das Ebay Ding nehmen, habe ich auch eins von im Einsatz, Für den PCF musst du die Palette “@pizzaprogram/mcp-pcf-aio” installieren. Und dann wir der einfach am i2c angeschlossen, schaltsignal ist zwischen 3,3 und 12V

Aber der Dimmy hat doch mittlerweile Eingänge

Oder du hast den alten

Nein, ich hab genau den - aber ich weiß leider nicht, wie ich da was mit den Eingängen machen kann …

Abgesehen davon hatte ich diesen Post gefunden Dimmy Taster Konfigurieren?, wo steht, dass die Eingänge am Dimmy nur als Standalone Variante funktionieren? Dann habe ich ja die Schalter nicht am Touchscreen bzw. in der App, wenn ich das richtig verstanden habe?

Soweit ich das in Errinerung habe, heißt standalone, dass der Dummy nicht über i2C sondern über den esp eingebunden ist. Dann gehen die digitalen Eingänge auf den esp.

Der mcp? Der die led Treiber steuert und über i2C eingebunden wird, hat garkeiner Eingangshardware, sondern ist ein reiner ausgabe Chip.

Das display kann -stand jetzt- keine eigenem Taster konfiguriere. Du müsstest also im Nodered den Teil fürs inoutXPro dir Zurechtbasteln.

Aber was genau meinst du eigentlich ? Die willst mit den Softwareschaltflächen die Hardware Eingänge steuern ?

Mein Problem ist, dass ich die 7 Lichtstreifen des Dimmy und zusätzlich noch 3-4 Relays über Taster ansteuern möchte (jeweils Ein- bzw. Ausschalten). Wenn ich des nochmal so überlege, sind die Schalter am Touchdisplay bzw. in der App ja bereits ausreichend.

Aber nachdem der Core standardmäßig nur 8 Inputs erlaubt, weiß ich eben nicht wo ich die 2-3 fehlenden Taster anschließen könnte.

Die gpios werden vermutlich mit 3,3v geschaltet, und müssen in tasmota eventuell noch papametriert werden, GPIOs kannst du in der Regelja für allesmögliche nehmen. Ich habe leider nur den vor,Vorgänger und habe keine Eingänge.

Einen optokoppler vorgeschaltet damit nix passiert :wink:

Wenn ich mir den Schaltplan genauer anschaue, wird wohl gegen GND geschaltet, ist natürlich einfacher.

Das wäre ja genau das, wonach ich gesucht hab. Ich muss mal schauen, wann ich dazu komme, das auszuprobieren, dann gibt’s Feedback dazu.

Ich hab da was von bastelmarvin gefunden :grinning_face:

Ja, das hatte ich auch gefunden :smiley:

Das finde ich ja grundsätzlich gut, aber wenn ich den Dimmy per I²C angeschlossen (und nicht neu geflasht habe) funktionieren die Taster so nicht. Jetzt will ich den Dimmy aber auch nicht flashen und Standalone betreiben, weil dann verliere ich ja die Einbindung (Touchdisplay/ App).

Hatte leider noch nicht mehr Zeit, um weitere Dinge zu Probieren …

Was meinst Du damit?

“Jetzt will ich den Dimmy aber auch nicht flashen und Standalone betreiben, weil dann verliere ich ja die Einbindung (Touchdisplay/ App).”

Ich habe den Dimmy mit einem ESP32 und per App und Browser kann ich den ihne Probleme steuern. Das Display bekomme ich erst noch, da kann ich es noch nicht sagen…

Für die Tasten muss man die (nicht vorhandenen) Relais entkoppeln per consolen Befehle… finde das schade, dass das nicht schon im Grundimage gemacht wurde….

Und bis zum letzten Mal einrichten war das mqtt Topic noch fehlerhaft, das habe ich mit einem userflow für mich gelöst… damit kann ich noch weitere Temperatursensoren einbinden.

Gruß Roland

Wie läuft der Dimmy denn jetzt über i2c oder mit nem esp???

Wenn der über nen esp läuft, brauchst du nicht neu zu flashen, da kannst du Wenn nicht schon passiert, in tasmota die ios konfigurieren, die kommen dann via MQTT zu vanpi.

Ich hab vor ein paar Jahren, für den Dimmy Version 1 mal was gebastelt, da kannst du dir das mt der Konfiguration und den Befehlen für die Konsole anschauen.

Der Dimmy ist jetzt über I²C eingebunden, ganz einfach nach Standard-Anleitung: DIMMY - 7 Channel LED Controller WIRED | VAN PI DOKUMENTATION . Funktioniert ja wunderbar, auch die Taster (via den Inputs vom Core), Touchscreen, App - klappt einwandfrei.

Allerdings hab ich den Standalone-Modus vom Dimmy so verstanden, dass der dann ohne Core funktioniert → das bedeutet aber im Umkehrschluss, dass ich den dann nicht mehr über I²C (oder WLAN) mit dem Core verbinden kann und dementsprechend dort nicht mehr in den Steuerungen aufscheint - das möchte ich aber dann auch wieder nicht.

Nachdem anscheinend hinsichtlich Hardware alles vorhanden ist, wäre mein nächster Schritt gewesen im NodeRed zu schauen, ob dort irgendetwas von den Dimmy-Inputs vorbereitet ist, so dass ich das erweitern könnte.

Ok mit i2c kannst du die Eingänge natürlich nicht nutzen, weil die vom ESP kommen.

wenn du dir einen ESP 8266 oder 32 flashst wird der Dimmy darüber genauso bedient wie jetzt mit i2C, Die Daten kommen nur über MQTT. Bei Tasmota ist halt erst mal das Problem, das die Eingänge mit den Ausgängen verbunden sind, dann schalten die nur den Dimmy, und werden nicht via MQTT weitergeleitet, das kannst du aber in der Konsole mit einem Befehl so einstellen, das die Schalter vom Ausgang getrennt werden, und als MQTT Nachricht an den Dimmy geschickt werden. Das ist in dem Link den ich da angehängt habe beschrieben. in Node red musst du dir dann was bauen um die Dimmer zu steuern. eventuell kann man die Eingänge vom IN-OUT-X PRO dafür vergewaltigen??? dann wären sie auch über Diosplay und App steuerbar.

Die Software hat ja mittlerweile so viele Möglichkeiten.

Ok, das ist jetzt dann Neuland für mich. Aber hab ich das richtig verstanden:

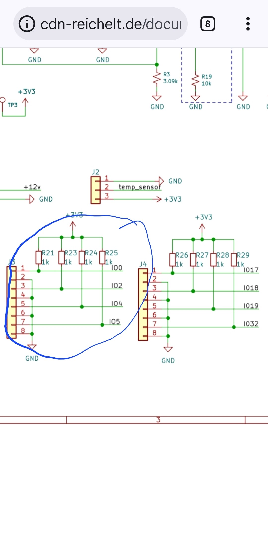
  • Die Inputs vom Dimmy sind (wie eigentlich im Schaltplan sichtbar) nicht verdrahtet (=gehen nur auf diese Stecksockel).
  • Wenn ich jetzt einen ESP dort drauf stecke, kann ich den Dimmy direkt programmieren (über Tasmota?)
  • Die Verbindung von Dimmy (bzw. dann ESP) erfolgt aber genauso über das I2C-Kabel wie bisher, nur die Kommunikation darüber ist ein anderes Protokoll (MQTT). Oder verbindet sich dann der ESP über Zigbee?

Manchmal ist ja auch das Problem, dass es zu viel Dokumentation gibt … :thinking:

Nein der i2c Anschluss kommt weg, die Verbindung ist dann nur noch über wifi mqtt. Und der stecksockel ist hier verdrahtet